〒340-0217
埼玉県久喜市鷲宮2511-4
TEL/0480-57-0011
FAX/0480-57-0012

老川工業で製作した階段製造実績一部です。

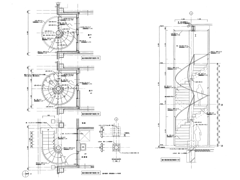
実績例 ~現場組立式らせん階段(溶融亜鉛メッキ)~

やすらぎの家様(長野県)


らせん階段図面から設計します。

実績例 ~手摺一体式らせん階段~

紅葉中学校様(東京都)


実績例 ~通常階段(溶融亜鉛メッキ)~


実績例 ~一体式回り階段~

H歯科様(東京都)


実績例 ~手摺一体式らせん階段~

W工業株式会社様(埼玉県)


実績例 ~支柱接続式廻り階段~

シャトウ上野様(東京都)


実績例 ~R(アール)階段~

株式会社丸一様(埼玉県)


実績例 ~特殊メッキ階段~

東山魁夷記念館様(千葉県)


実績例 ~階段先行2節式らせん階段~

オーガニック・スタジオ株式会社様(埼玉県)


実績例 ~幅広階段 3m~

Aウィンナー工場様(群馬県)


実績例 ~イナズマ階段(片側ササラ2枚式)~

群馬農済様(群馬県)


実績例 ~階段各種~


 

 

階段出荷の様子